【多介質過濾器產品概述】
每小時處理量13立方多介質過濾器尺寸型號:DN1200,多介質過濾器分為碳鋼材質與304不銹鋼材質。眾所周知,多介質過濾器是填充兩種以上的過濾介質的機械過濾器叫多介質過濾器,多介質過濾器常見的濾料有:無煙煤、石英砂、活性炭,磁鐵礦等。使水質符合循環使用的要求。過濾的作用,主要是去除水中的懸浮或膠態雜質,特別是能有效地去除沉淀技術不能去除的微小粒子和細菌等,BOD5和COD等也有某種程度的去除效果。
【多介質過濾器工作原理】
多介質過濾器是利用一種或幾種過濾介質,在一定的壓力下把濁度較高的水通過一定厚度的濾層進行攔截過濾,從而有效的除去懸浮雜質使水澄清的過程,常用的濾料有石英砂,無煙煤,錳砂等,主要用于水處理除濁,軟化水,純水的前級預處理等,出水濁度可達3度以下。
過濾的含義,在水處理過程中,過濾一般是指以石英砂、無煙煤等濾料層截留水中懸浮雜質,從而使水獲得澄清的工藝過程。 用于過濾的多孔材料稱為濾料,石英砂是最常見的濾料。濾料有粒狀,粉狀和纖維狀多種。常用濾料有石英砂、無煙煤、活性炭、磁鐵礦、拓榴石、多孔陶瓷、塑料球等。
多介質過濾器(濾床),既采用兩種以上的介質作為濾層的介質過濾器,在工業循環水處理系統中,用以去除污水中雜質、吸附油等,使水質符合循環使用的要求。過濾的作用,主要是去除水中的懸浮或膠態雜質,特別是能有效地去除沉淀技術不能去除的微小粒子和細菌等,BOD5和COD等也有某種程度的去除效果。
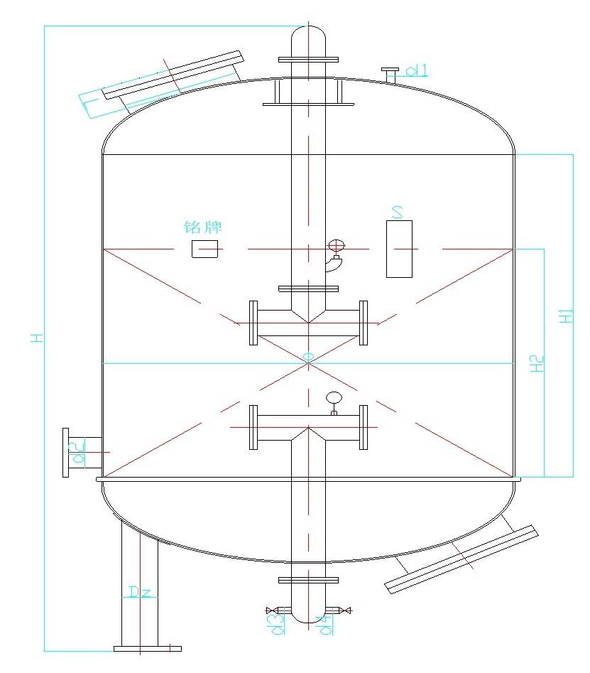
【多介質過濾設備結構圖析】
【多介質過濾器主要技術參數】
1、工作壓力:0.05MPa~0.6MPa
2、工作溫度:5℃~40℃(特殊溫度可定做)
3、單機流量:0.5m3/h~80m3/h
4、操作方式:手動或自動控制
5、過濾速度:5m3/h~12m3/h,最大15m3/h
6、產品規格:¢223~¢3000
7、筒體材質:304、316L、Q235襯膠或玻涂環氧。
【多介質過濾器過濾器作用】
1. 石英砂濾料:去除原水中的泥沙、鐵銹、膠體物質、懸浮物等雜質。
2. 活性炭濾料:吸附膠體、微生物、余氯等,同事具有脫色、除味功能。
3. 錳砂濾料:去除地下水中的鐵,錳,元素。
【多介質過濾器應用領域】
多介質過濾器廣泛應用于水處理過程中,主要用于水處理除濁、反滲透、以及離子交換軟化除鹽系統的前期預處理,也可用于地表水、地下水等方面。可有效地除去除水中的懸浮物、有機、膠體、泥沙等。
可廣泛應用于電子電力、石油化工、冶金電鍍、造紙紡織、制藥透析、食品飲料、生活飲用水、工廠企業用水、游泳池等,可滿足各行業液體過濾需要。

石家莊工泉水處理科技有限公司-多介質過濾器選型表(技術熱線:15200035554)
公稱直徑mm
Φ
600
800
1000
1200
1400
1600
1800
2000
2200
2400
2600
2800
3000
3200
外形尺寸mm
H1
1500
1500
1500
1800
1800
1800
1800
1800
1800
2000
2000
2000
2000
2000
H2
1000
1000
1000
1200
1200
1200
1200
1200
1200
1200
1200
1200
1200
1200
H
2500
2770
2950
3200
3200
3350
3350
3500
3800
3800
4200
4500
5200
5400
進出口DN
65
65
80
80
100
100
125
125
150
150
200
200
200
250
反洗進出口DN
80
80
80
100
125
125
125
150
250
250
250
250
250
250
DNr
350
450
450
450
450
500
500
500
500
500
500
500
500
500
d 1
40
40
40
40
40
40
40
40
40
40
40
40
40
40
d 2
100
125
125
150
150
150
150
200
200
200
200
200
200
200
d 3,4
25
25
25
25
25
32
32
40
40
40
50
50
50
50
流速m/h
10
10
10
12
12
12
12
12
12
12
12
12
12
12
流量t/h
3
5
8
13
18
24
30
37
45
55
63
73
85
100
板厚(mm)
6
6
6
6
6
6
8
8
8
10
10
10
12
12
【工泉公司采用高品質果殼碳】



【石英砂過濾器+活性炭過濾器+錳砂過濾器+纖維球過濾器+多介質過濾器各個過濾器處理功能說明】
石英砂過濾器內部填裝精選石英砂等介質。可以去除原水中含有的泥沙、鐵銹、膠體物質、懸浮物等雜質。系統可手動或全自動,定期進行反沖洗、正洗等操作。反沖洗周期的設定根據原水水質的好壞來考慮或根據壓差決定,當壓差0.05-0.1MPa,進行反沖洗。反沖洗強度:12-15L/(m2.s)。
活性炭過濾器:活性炭過濾器是利用多孔性的固體物質(活性炭),使水中或多種物質被吸附在固體表面的微孔中,主要吸附的物質有膠體、微生物、余氯等,同時具有脫色、除味等功能。設備構造和石英砂過濾器相同,活性炭過濾器一般設置在石英砂過濾器或錳砂過濾器之后。原水進炭濾前盡量將大顆粒膠體物除去,防止堵塞炭的細孔,以提高活性炭的吸附效果,一般要求進吸附柱濁度﹤3-5mg/L。
錳砂過濾器:錳砂過濾器,主要是去除地下水水中的鐵元素。鐵超標地下水以Fe2+狀態存在的,所以剛抽上來時,水質清澈干凈,但有鐵腥味。時間稍長,水質即變渾濁。除鐵錳過濾器集合了氧化、離子置換、截留和澄清等過程,根據客戶水質情況作出合理的設計工藝,達到可靠穩定的效果。
水中除鐵除錳必須曝氣,將空氣中的氧氣和二價鐵、二價錳氧化、生成Fe(OH)3,MnO2。根據水中的鐵錳含量高低,選用射流曝氣或空心多面球曝氣。采用一級或多級除鐵錳過濾器過濾,即可滿足處理要求,出水含鐵量0.3mg/L,含錳量0.1mg/L,符合國家生活飲用水標準。
多介質過濾器:多介質過濾器則是一個罐體里面裝有多種介質的過濾器,如:石英砂,無煙煤,活性炭,錳砂等。
纖維球過濾器:纖維球過濾器則是罐體里面裝有丙綸材質的纖維球濾料,可以有效去除懸浮物,油脂顆粒等雜質,大多用于化工,油田等領域。
八、工泉公司介紹:
河北工泉水處理科技有限公司是一家集自主研發設計、生產制造銷售、技術服務于一體的高新技術企業。主要以污水處理、純凈水處理器設備,河水凈化過濾設備,中央空調循環系統水處理設備,固液分離、冷卻水循環利用,水質軟化,屠宰廢水處理等環保設備的制造銷售,環境工程設計,施工安裝及配套設備生產銷售為主。公司擁有一支具備多年環保實踐經驗、理論知識扎實、專業技術豐富的技術團隊。我公司并有強大技術加工能力、專業的全自動焊接生產線、制造和服務為一體,成為了國內著名專業成套裝備環保供應商之一。
工泉公司聘請有北京清華大學高材生五名,環境工程師20名的技術優勢,已做到對產品質量和服務精益求精,與客戶共贏,謀求和諧、持續、快速發展,綠科全體員工熱誠歡迎中外朋友光臨指導、洽談業務!愿與您真誠合作,共謀環境保護的崇高事業。(工泉公司熱線:15200035554,資料來源:www.xiakelvy.com)
核心價值觀
以人為本 以質求存; 集體奮斗; 追求卓越。
經營理念
客戶和供應商是我們永遠的合作伙伴,不求更多利潤,但求成功業績的經營理念。
企業信條
以質量求生存
以科技求發展










